Product Overview
Waveguide type homogenizers are specialized optical modules designed to transform non-uniform laser beams into highly uniform intensity distributions.
By using internal reflections within the waveguide structure, they effectively average out beam irregularities, enabling stable and precise energy delivery.
These modules are particularly suitable for high-power laser applications where beam uniformity is critical.

Why Choose Our Homogenizers?
- Perfect Uniformity: Transform non-uniform laser beams into flat-top,
stable distributions – ensuring superior process quality. - Proven Reliability: Trusted in demanding semiconductor and display
applications worldwide. - Flexible Integration: Replaceable focusing lenses allow easy beam size
adjustment while maintaining system geometry. - Tailored Solutions: Custom-engineered designs available for unique
wavelengths and system requirements.

Key Specifications
- Input Beam Size: Customizable per application
- Output Profile: Flat-top / uniform beam distribution
- Transmission Efficiency: >90% (depending on wavelength and coating)
- Material Options: Fused Silica, Optical Glass, Others
- Coating Options: AR, HR, Broadband, Laser Line
Customization / Options
- Extended magnification ranges available upon request
- Wavelength-optimized AR/HR coatings
- Focusing Lens for Beam Size Conversion
- Beam size can be adjusted by replacing the focusing lens
- Tube length + working distance remain consistent
- Non-catalog beam sizes available upon request (additional cost)
Applications
- OLED Panel Lithography
- Laser Annealing Systems
- Micro Lens Array Processing
- Advanced R&D in Laser Material Processing


Optional Product
| Item | Description (optional to include) |
|---|---|
| Additional Focusing Lens | For beam size adjustment and flexible system design |
| Vision Camera & Telecentric Lens | Enables precise alignment and inspection capabilities |
| Lighting for Vision | Illumination support for vision-based applications |
Homogenizer Selection Guide

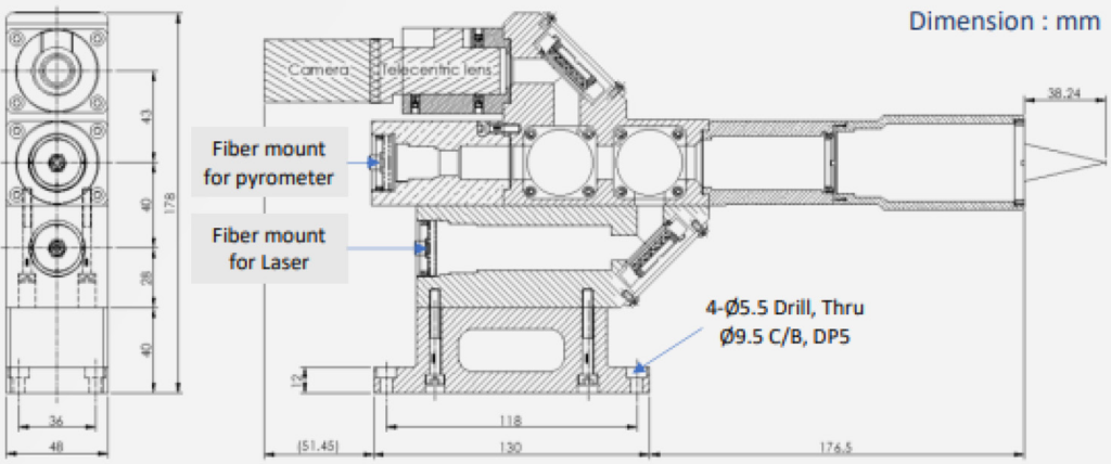
Dimensional Drawing
- Easily adjust beam size with replaceable focusing lenses
- Maintain consistent tube length and working distance
- Request custom beam sizes to match your unique application

GOG-HOM-808 Specification
| Specification | Description |
|---|---|
| Purpose | ideal for soldering & sealing applications in precision manufacturing |
| Design Wavelength | 808nm |
| Max. Input Laser Power | <100W |
| Input Numerical Aperture | 0.2 |
| Fiber Mount Type | SMA & FC/PC |
| Uniformity | >90% |
| Beam Size | 0.6, 0.8, 1.0, 1.2mm |
| Beam Size Tolerance | ±5.0% |
| Efficiency | Optimized for reliable efficiency (~70%) |
| Working Distance | 38.24-97.52mm depending on magnification |
| Port for Accessory Equipment Parts |
|
Drawing

